Description
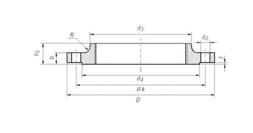
UNI 2254 PN16 Threaded Flange Dimensions and Technical Drawing DOWNLOAD UNI 2254 PN16 Threaded Flange Dimensions and Technical Drawing PDF Get Complete details of UNI Flange Standard UNI 2254 PN16 Threaded Flange Dimensions Dimensions and Weight UNI 2254 Pn16 Threaded Flange Dimensions Rated Dia. d1 Flanges Neck Raised face (rf) Screws Weight in kg (7,85 Kg/dm3) Thread D b k h1 d3 d4 f Number Thread d2 Kilogram 15 21,3 R 1/2 95 14 65 20 35 45 2 4 M 12 14 0,613 20 26,9 R 3/4 105 16 75 24 45 58 2 4 M 12 14 0,91 25 33,7 R 1 115 16 85 24 52 68 2 4 M 12 14 1,1 32 42,4 R 1 1/4 140 16 100 26 60 78 2 4 M 16 18 1,6 40 48,3 R 1 1/2 150 16 110 26 70 88 3 4 M 16 18 1,78 50 60,3 R 2 165 18 125 28 85 102 3 4 M 16 18 2,43 65 76,1 R 2 1/2 185 18 145 32 105 122 3 4 M 16 18 3,18 80 88,9 R 3 200 20 160 34 118 138 3 8 M 16 18 4,12 100 114,3 R 4 220 20 180 38 140 158 3 8 M 16 18 4,47 125 139,7 R 5 250 22 210 40 168 188 3 8 M 16 18 6,13 150 165,1 R 6 285 22 240 44 195 212 3 8 M 20 22 7,92 UNI 2254 PN16 Threaded Flange Industries and Applications Widely used in the industries Pumps, Valves, and vessels in manufacturing and food processing. Pipe connections in industrial waterworks. Heat exchangers and heating systems of all sizes. Mining support. Nuclear power systems. Plumbing and mechanical systems. Assemblies in the oil, gas, and petrochemical industries. Fire…
