Description
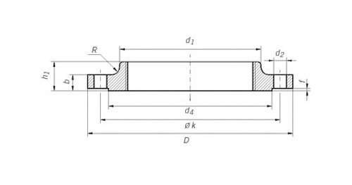
UNI 2253 PN6 Threaded Flange Dimensions and Technical Drawing DOWNLOAD UNI 2253 PN6 Threaded Flange Dimensions and Technical Drawing PDF Get Complete details of UNI Flange Standard UNI 2253 PN6 Threaded Flange Dimensions Dimensions and Weight Uni 2253 Pn6 Threaded Flange Dimensions Flanges Neck Raised face (RF) Screws Weight in kg (7,85 Kg/dm3) Rated Dia. d1 Thread D b k h1 d3 d4 f Number Thread d2 Kilogram 15 21,3 R 1/2 80 12 55 20 30 40 2 4 M 10 11 0,373 20 26,9 R 3/4 90 14 65 24 40 50 2 4 M 10 11 0,59 25 33,7 R 1 100 14 75 24 50 60 2 4 M 10 11 0,743 32 42,4 R 1 1/4 120 14 90 26 60 70 2 4 M 12 14 1,05 40 48,3 R 1 1/2 130 14 100 26 70 80 3 4 M 12 14 1,2 50 60,3 R 2 140 14 110 28 80 90 3 4 M 12 14 1,37 65 76,1 R 2 1/2 160 14 130 32 100 110 3 4 M 12 14 1,92 80 88,9 R 3 190 16 150 34 110 128 3 4 M 16 18 2,82 100 114,3 R 4 210 16 170 38 130 148 3 4 M 16 18 3,19 125 139,7 R 5 240 18 200 40 160 178 3 8 M 16 18 4,47 150 165,1 R 6 265 18 225 44 185 202 3 8 M 16 18 5,3 UNI 2253 PN6 Threaded Flange Industries and Applications Widely used in the industries Pumps, Valves, and vessels in manufacturing and food processing. Pipe connections in industrial waterworks. Heat exchangers and heating systems of all sizes. Mining support. Nuclear power systems. Plumbing and mechanical systems. Assemblies in the oil, gas, and petrochemical industries. Fire…
