Description
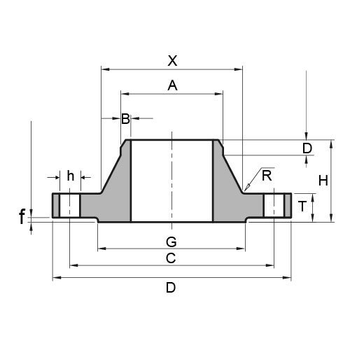
EN1092-1 PN16 Type 11 Welding Neck Flange Dimensions and Technical Drawing DOWNLOAD EN1092-1 PN16 Type 11 Welding Neck Flange Dimensions and Technical Drawing PDF Get Complete details of EN 1092-1 Flange Standard EN1092-1 PN16 Type 11 Welding Neck Flange Dimensions Dimensions and Weight Rated Diameter Flange Dimension Neck Size Raised Face Screws Parameter Weight Flange A C D T H X B R D G f h Thread Bolt holes KG/PCS 15 21,3 65 95 16 38 32 2,00 4 6 45 2 14 M12 4 0,678 20 26,9 75 105 18 40 40 2,30 4 6 58 2 14 M12 4 0,768 25 33,7 85 115 18 40 46 2,60 4 6 68 2 14 M12 4 1,090 32 42,4 100 140 18 42 56 2,60 6 6 78 2 18 M16 4 1,300 40 48,3 110 150 18 45 64 2,60 6 7 88 3 18 M16 4 1,910 50 60,3 125 165 18 45 74 2,9 6 8 102 3 18 M16 4 2,530 65 76,1 145 185 18 45 92 2,9 6 10 122 3 18 M16 4 3,030 80 88,9 160 200 20 50 105 3,2 6 10 138 3 18 M16 8 3,920 100 114,3 180 220 20 52 131 3,6 8 12 158 3 18 M16 8 4,620 125 139,7 210 250 22 55 156 4,0 8 12 188 3 18 M16 8 6,300 150 168,3 240 285 22 55 184 4,5 10 12 212 3 22 M20 8 7,810 200 219,1 295 340 24 62 235 6,30 10 16 268 3 22 M20 12 11,500 250 273,0 355 405 26 70 292 6,30 12 16 320 3 26 M24 12 16,700 300 323,9 410 460 28 78 344 7,10 12 16 378 4 26 M24 12 22,100 350 355,6 470 520 30…
