Description
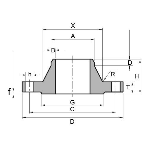
EN1092-1 PN10 Type 11 Welding Neck Flange Dimensions and Technical Drawing DOWNLOAD EN1092-1 PN10 Type 11 Welding Neck Flange Dimensions and Technical Drawing PDF Get Complete details of EN 1092-1 Flange Standard EN1092-1 PN10 Type 11 Welding Neck Flange Dimensions Dimensions and Weight Rated Diameter Flange Dimension Neck Size Raised Face Screws Parameter Weight Flange A C D T H X B R D G f h Thread Bolt holes KG/PCS 200 219,1 295 340 24 62 234 6,30 10 16 268 3 22 M20 8 11,600 250 273,0 350 395 26 68 292 6,30 12 16 320 3 22 M20 12 15,800 300 323,9 400 445 26 68 342 7,10 12 16 370 4 22 M20 12 18,300 350 355,6 460 505 26 68 385 7,10 12 16 430 4 22 M20 16 25,300 400 406,4 515 565 26 72 440 7,10 12 16 482 4 26 M24 16 30,600 450 457,0 565 615 28 72 488 7,10 12 16 532 4 26 M24 20 35,100 500 508,0 620 670 28 75 542 7,10 12 16 585 4 26 M24 20 40,500 600 610,0 725 780 30 82 642 8,00 12 18 685 5 30 M27 20 52,900 700 711,0 840 895 35 85 746 8,80 12 18 800 5 30 M27 24 75,800 800 813,0 950 1015 38 96 850 8,80 12 18 905 5 33 M30 24 102,000 900 914,0 1050 1115 38 99 950 12,50 12 20 1005 5 33 M30 28 121,000 1000 1016,0 1160 1230 44 105 1052 12,50 16 20 1110 5 36 M33 28 161,000 1200 1219,0 1380 1455 55 132 1256 12,50 16 25 1330 5 39 M36 32 258,000 1400 1422,0 1590 1675 65 143 1460 14,20 16 25 1535 5 42 M39 36 371,000 1600 1626,0 1820 1915 75…
