Description
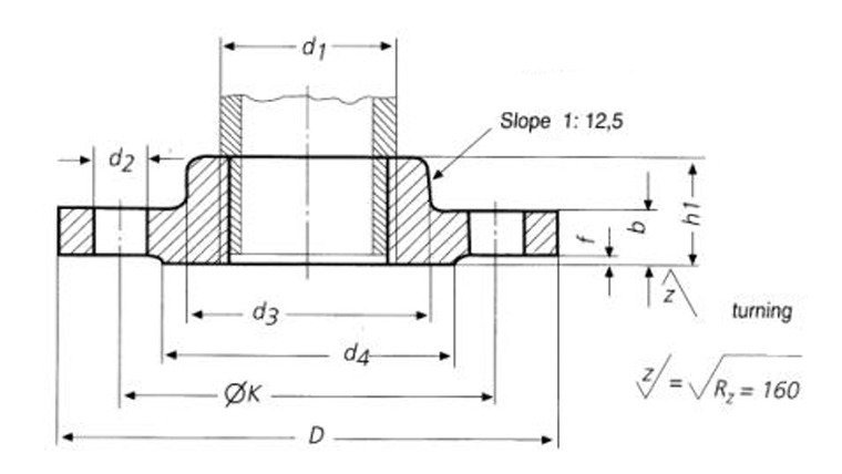
DIN 2567 PN25/PN40 Threaded Flange Dimensions, Technical Drawings, and Approx. Flange Weight DOWNLOAD DIN 2567 PN25/PN40 THREADED FLANGE DIMENSIONS, TECHNICAL DRAWINGS, AND APPROX. FLANGE WEIGHT PDF Get Complete details of DIN Standard Flanges DIN 2567 PN25/PN40 Threaded Flange Dimensions Dimensions and Approx. Flange Weight Rated Diameter O.D. Of Pipe Flange Dimension Neck Size Parameter of R.F. Screws Dimension Approx. Flange Weight DN d1 DIN 2999 D b k h1 d3 d4 f No.of holes d2 KG/PCS 6 10.2 R1/8 75 14 50 20 20 32 2 4 11 0.388 8 13.5 R1/4 80 14 55 20 25 38 2 4 11 0.45 10 17.2 R3/8 90 16 60 22 30 40 2 4 14 0.63 15 21.3 R1/2 95 16 65 22 35 45 2 4 14 0.71 20 26.9 R3/4 105 18 75 26 45 58 2 4 14 1.03 25 33.7 R1 115 18 85 28 52 68 2 4 14 1.28 32 42.4 R1.1/4 140 18 100 30 60 78 2 4 18 1.87 40 48.3 R1.1/2 150 18 110 32 70 88 3 4 18 2.14 50 60.3 R2 165 20 125 34 85 102 3 4 18 2.85 65 76.1 R2.1/2 185 22 145 38 105 122 3 8 18 3.85 80 88.9 R3 200 24 160 40 118 138 3 8 18 4.8 100 114.3 R4 235 24 190 44 145 162 3 8 22 6.43 125 139.7 R5 270 26 220 48 170 188 3 8 26 8.77 150 165.1 R6 300 28 250 52 200 218 3 8 26 10.5 DIN 2567 PN25/PN40 Threaded Flange Industries and Applications Widely used in the industries Pumps, Valves, and vessels in manufacturing and food processing. Pipe connections in industrial waterworks. Heat exchangers and heating systems of all sizes. Mining support. Nuclear power systems. Plumbing and…
