Description
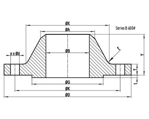
ASME B16.47 Series B Flanges Class 400 Dimensions and Technical Drawings ASME B16.47 Series B 400# Welding Neck Flange with RF ASME B16.47 Series B Class 400 Blind Flange with RF DOWNLOAD ASME B16.47 SERIES B FLANGES CLASS 400 DIMENSIONS AND TECHNICAL DRAWINGS PDF Get Complete details of ANSI/ASME B16.47 Standard Flange 400# B16.47 Series B Flanges Dimensions B16.47 Dimensions in MM NPS D K G X 26 850 781.0 711 689 28 915 838.2 762 740 30 970 895.4 819 794 32 1035 952.5 873 845 34 1085 1003.3 927 899 36 1155 1066.8 981 952 General Note: All dimensions are in MM. D: outside diameter of flange. K: diameter of bolt circle. G: outside diameter of raised face. X: diameter of hub of WN flange. NPS A TBL TWN Y 26 660.4 88.9 88.9 149 28 711.2 95.3 95.3 159 30 762.0 101.6 101.6 170 32 812.8 108.0 108.0 179 34 863.6 111.2 111.2 187 36 914.4 119.1 119.1 200 General Note: All dimensions are in MM. A: Diameter of hub top of WN. TBL: minimum thickness of blind flange. TWN: minimum thickness of WN flange. Y: length through hub of WN. t: 7mm height of RF for Class 400 Series B flange. NPS n d l r 26 28 1-1/2 1-3/8 11 28 24 1-5/8 1-1/2 13 30 28 1-5/8 1-1/2 13 32 28 1-3/4 1-5/8 13 34 32 1-3/4 1-5/8 14 36 28 1-7/8 1-3/4 14 General Note: n: number of bolt holes. d: diameter of bolt hole. l: diameter of bolt. r: minimum fillet radius for WN. d and l are in inch units, while r is in mm unit. ASME B16.47 Series B Class 400 Flanges Industries and Applications Widely used in the industries Pumps, Valves, and vessels in manufacturing and food processing. Pipe…
