Description
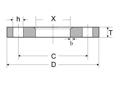
EN1092-1 PN16 Type 02 Plate Flange Dimensions and Technical Drawing DOWNLOAD EN1092-1 PN16 Type 02 Plate Flange Dimensions and Technical Drawing PDF Get Complete details of EN 1092-1 Flange Standard EN1092-1 PN16 Type 02 Plate Flange Dimensions Dimensions and Weight Rated Diameter Flange Screws Weight/PCS Flange X C D T b h Thread Bolt holes KG 15 25 65 95 14 3 14 M12 4 0,655 20 31 75 105 16 4 14 M12 4 0,913 25 38 85 115 16 4 14 M12 4 1,081 32 47 100 140 18 5 18 M16 4 1,781 40 53 110 150 18 5 18 M16 4 2,035 50 65 125 165 20 5 18 M16 4 2,668 65 81 145 185 20 6 18 M16 4 3,241 80 94 160 200 20 6 18 M16 8 3,512 100 120 180 220 22 6 18 M16 8 4,247 125 145 210 250 22 6 18 M16 8 5,258 150 174 240 285 24 6 22 M20 8 6,945 200 226 295 340 26 6 22 M20 12 9,383 250 281 355 405 29 8 26 M24 12 13,717 300 333 410 460 32 8 26 M24 12 18,213 350 365 470 520 35 8 26 M24 16 27,184 400 416 525 580 38 8 30 M27 16 34,789 450 467 585 640 42 8 30 M27 20 44,793 500 519 650 715 46 8 33 M30 20 62,227 600 622 770 840 55 8 36 M33 20 98,983 700 721 840 910 63 8 36 M33 24 107,32 800 824 950 1025 74 8 39 M36 24 152,44 900 926 1050 1125 82 8 39 M36 28 184,25 1000 1030 1170 1255 90 8 42 M39 28 257,09 EN1092-1 PN16 Type 02 Plate Flange Industries and Applications Widely used in the industries…
