Description
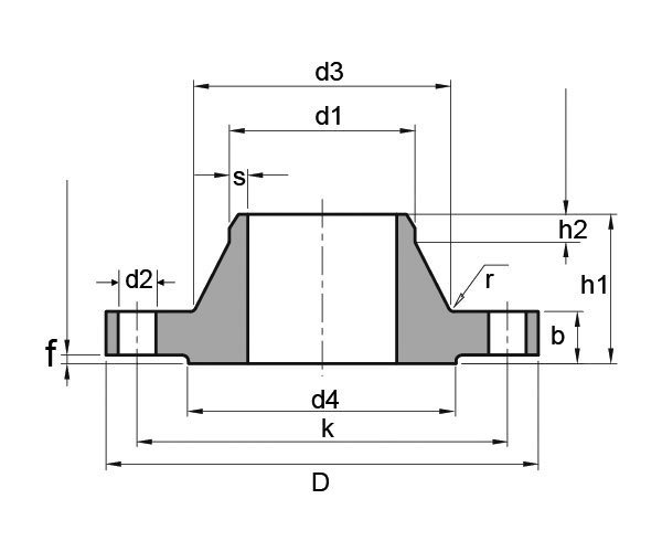
DIN 2631 PN6 Welding Neck Flange Dimensions, Technical Drawings, and Approx. Flange Weight DOWNLOAD DIN 2631 PN6 WELDING NECK FLANGE DIMENSIONS, TECHNICAL DRAWINGS, AND APPROX. FLANGE WEIGHT PDF Get Complete details of DIN Standard Flanges DIN 2631 PN6 Welding Neck Flange Dimensions Dimensions and Approx. Flange Weight Pipe Parameter Flange Dimension Neck Size Hub Size Screw Approx. Flange Weight DN ISO DIN D b k h1 d3 s r h2 d4 f No. of Holes d2 KG/PCS 10 – 14 75 12 50 28 22 1.8 4 6 35 2 4 11 0.34 17.2 – 75 12 50 28 26 1.8 4 6 35 2 4 11 0.34 15 – 20 80 12 55 30 28 2 4 6 40 2 4 11 0.39 21.3 – 80 12 55 30 30 2 4 6 40 2 4 11 0.4 20 – 25 90 14 65 32 35 2.3 4 6 50 2 4 11 0.6 26.9 – 90 14 65 32 38 2.3 4 6 50 2 4 11 0.6 25 – 30 100 14 75 35 40 2.6 4 6 60 2 4 11 0.76 33.7 – 100 14 75 35 42 2.6 4 6 60 2 4 11 0.75 32 – 38 120 14 90 35 50 2.6 6 6 70 2 4 14 1.07 42.4 – 120 14 90 35 55 2.6 6 6 70 2 4 14 1.06 40 – 44.5 130 14 100 38 58 2.6 6 7 80 3 4 14 1.21 46.3 – 130 14 100 38 62 2.6 6 7 80 3 4 14 1.2 50 – 57 140 14 110 38 70 2.9 6 8 90 3 4 14 1.37 60.3 – 140 14 110 38 74 2.9 6 8 90 3 4 14 1.36 65 76.1 – 160 14 130…
