Description
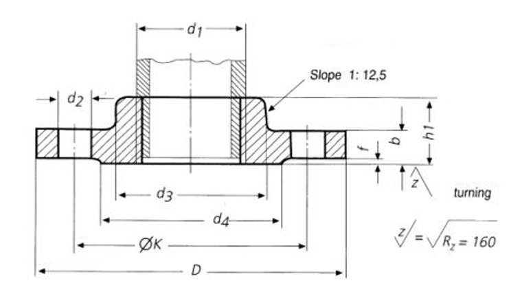
DIN 2566 PN10/PN16 Threaded Flange Dimensions, Technical Drawings, and Approx. Flange Weight DOWNLOAD DIN 2566 PN10/PN16 THREADED FLANGE DIMENSIONS, TECHNICAL DRAWINGS, AND APPROX. FLANGE WEIGHT PDF Get Complete details of DIN Standard Flanges DIN 2566 PN10/PN16 Threaded Flange Dimensions Dimensions and Approx. Flange Weight Rated Diameter O.D. Of Pipe Flange Dimension Neck Size Parameter of R.F. Screws Dimension Approx. Flange Weight DN d1 DIN 2999 D b k h1 d3 d4 f No.of holes d2 KG/PCS 6 10.2 R1/8 75 12 50 18 20 32 2 4 11 0.33 8 13.5 R1/4 80 12 55 18 25 38 2 4 11 0.39 10 17.2 R3/8 90 14 60 20 30 40 2 4 14 0.56 15 21.3 R1/2 95 14 65 20 35 45 2 4 14 0.62 20 26.9 R3/4 105 16 75 24 45 58 2 4 14 0.92 25 33.7 R1 115 16 85 24 52 68 2 4 14 1.1 32 42.4 R1.1/4 140 16 100 26 60 78 2 4 18 1.59 40 48.3 R1.1/2 150 16 110 26 70 88 3 4 18 1.77 50 60.3 R2 165 18 125 28 85 102 3 4 18 2.41 65 76.1 R2.1/2 185 18 145 32 105 122 3 4 18 3.13 80 88.9 R3 200 20 160 34 118 138 3 4 18 3.95 100 114.3 R4 220 20 180 38 140 158 3 8 18 4.38 125 139.7 R3 250 22 210 40 168 188 3 8 18 5.99 150 168.3 R4 285 22 240 44 196 212 3 8 22 7.42 DIN 2566 PN10/PN16 Threaded Flange Industries and Applications Widely used in the industries Pumps, Valves, and vessels in manufacturing and food processing. Pipe connections in industrial waterworks. Heat exchangers and heating systems of all sizes. Mining support. Nuclear power systems. Plumbing and…
