Description
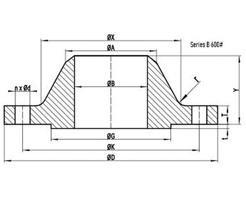
ASME B16.47 Series B Flanges Class 600 Dimensions and Technical Drawings ASME B16.47 Series B 600# Welding Neck Flange with RF ASME B16.47 Series B Class 600 Blind Flange with RF DOWNLOAD ASME B16.47 Series B Flanges Class 600 Dimensions and Technical Drawings PDF Get Complete details of ANSI/ASME B16.47 Standard Flange 600# B16.47 Series B Flanges Dimensions B16.47 Dimensions in MM NPS D K G X 26 890 806.4 727 698 28 950 863.6 784 752 30 1020 927.1 841 806 32 1085 984.2 895 860 34 1160 1054.1 953 914 36 1215 1104.9 1010 968 General Note: All dimensions are in MM. D: outside diameter of flange. K: diameter of bolt circle. G: outside diameter of raised face. X: diameter of hub of WN flange. NPS A TBL TWN Y 26 660.4 111.3 111.2 181 28 711.2 115.9 115.9 190 30 762.0 127.0 125.5 205 32 812.8 134.9 130.2 216 34 863.6 144.2 141.3 233 36 914.4 150.9 146.1 243 General Note: All dimensions are in MM. A: Diameter of hub top of WN. TBL: minimum thickness of blind flange. TWN: minimum thickness of WN flange. Y: length through hub of WN. t: 7mm height of RF for Class 600 Series B flange. NPS n d l r 26 28 1-3/4 1-5/8 13 28 28 1-7/8 1-3/4 13 30 28 2 1-7/8 13 32 28 2-1/8 2 13 34 24 2-3/8 2-1/4 14 36 28 2-3/8 2-1/4 14 General Note: n: number of bolt holes. d: diameter of bolt hole. l: diameter of bolt. r: minimum fillet radius for WN. d and l are in inch units, while r is in mm unit. ASME B16.47 Series B Class 600 Flanges Industries and Applications Widely used in the industries Pumps, Valves, and vessels in manufacturing and food processing. Pipe…
