Description
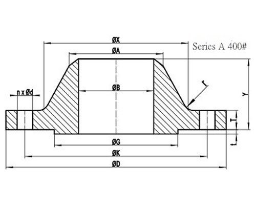
ASME B16.47 Series A Flanges Class 400 Dimensions and Technical Drawings ASME B16.47 Series A 400# Welding Neck Flange with RF ASME B16.47 Series A Class 400 Blind Flange with RF DOWNLOAD ASME B16.47 SERIES A FLANGES CLASS 400 DIMENSIONS AND TECHNICAL DRAWINGS PDF Get Complete details of ANSI/ASME B16.47 Standard Flange 400# B16.47 Series A Flanges Dimensions B16.47 Dimensions in MM NPS D K G X 26" 970 876.3 749 727 28" 1035 939.8 800 783 30" 1090 997.0 857 837 32" 1150 1054.1 914 889 34" 1205 1104.9 965 945 36" 1270 1168.4 1022 1000 38" 1205 1117.6 1035 1003 40" 1270 1174.6 1092 1054 42" 1320 1225.6 1143 1108 44" 1385 1282.7 1200 1159 46" 1440 1339.8 1257 1213 48" 1510 1403.4 1308 1267 50" 1570 1460.5 1362 1321 52" 1620 1511.3 1413 1372 54" 1700 1581.2 1470 1426 56" 1755 1632.0 1527 1480 58" 1805 1682.8 1578 1530 60" 1885 1752.6 1635 1584 General Note: All dimensions are in MM. D: outside diameter of flange. K: diameter of bolt circle. G: diameter of raised face. X: diameter of hub of flange. NPS A TBL TWN Y 26" 660.4 98.5 88.9 194 28" 711.2 104.8 95.3 206 30" 762.0 111.2 101.6 219 32" 812.8 115.9 108.0 232 34" 863.6 122.3 111.2 241 36" 914.4 128.6 114.3 251 38" 965.2 123.9 123.9 206 40" 1016.0 130.2 130.2 216 42" 1066.8 133.4 133.4 224 44" 1117.6 139.7 139.7 233 46" 1168.4 146.1 146.1 244 48" 1219.2 152.4 152.4 257 50" 1270.0 158.8 157.2 268 52" 1320.8 163.6 162.0 276 54" 1371.6 171.5 169.9 289 56" 1422.4 176.3 174.7 298 58" 1473.2 181.0 177.8 306 60" 1524.0 189.0 185.8 319 General Note: All dimensions are in MM. A: Diameter of hub top of WN. TBL: minimum thickness of blind flange….
